Hệ Châm Hóa Chất (Dosing Pot) Trong Hệ Nước Lạnh Chiller

Hệ Châm Hóa Chất (Dosing Pot) Trong Hệ Nước Lạnh Chiller

Hệ Châm Hóa Chất (Dosing Pot) Trong Hệ Nước Lạnh Chiller

Ngày đăng: 03/04/2026

Trong các hệ thống nước lạnh Chiller, việc kiểm soát chất lượng nước đóng vai trò cực kỳ quan trọng để đảm bảo hiệu suất và tuổi thọ thiết bị. Một trong những giải pháp hiệu quả và phổ biến hiện nay là sử dụng Dosing Pot (bình châm hóa chất) – thiết bị giúp đưa hóa chất vào hệ thống một cách an toàn và hiệu quả mà không cần dừng vận hành

binh cham hoa chat

1. Dosing Pot hay hệ châm hóa chất là gì?

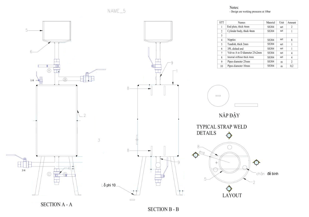
Dosing Pot (hay còn gọi là bình châm hóa chất) là thiết bị được lắp đặt trong hệ thống nước tuần hoàn kín như Chiller, HVAC hoặc Cooling Tower.

Thiết bị này cho phép:

  • Đưa hóa chất xử lý nước vào hệ thống
  • Không làm gián đoạn hoạt động
  • Đảm bảo an toàn cho người vận hành

Dosing Pot thường được chế tạo từ inox hoặc thép chịu áp lực, tích hợp các van và phễu nạp giúp quá trình châm hóa chất diễn ra nhanh chóng, kiểm soát tốt.

Dosing pot đi kèm các van khóa đường hồi/dòng, van xả rửa, phễu (tundish) và van xả khí để thao tác an toàn. Việc sử dụng dosing pot giúp bảo vệ đường ống và thiết bị khỏi ăn mòn, vôi hóa, nâng cao hiệu suất trao đổi nhiệt và giảm thiểu thời gian bảo trì (so với không sử dụng thì tần suất rửa, thay thế van sẽ giảm đáng kể)

dosing pot he thong cham hoa chat

2. Vì sao phải sử dụng Dosing Pot trong hệ nước lạnh Chiller?

Trong hệ Chiller, nước tuần hoàn liên tục nên dễ phát sinh các vấn đề như cáu cặn, ăn mòn và vi sinh. Dosing Pot là giải pháp giúp xử lý triệt để các vấn đề này.

2.1. Đảm bảo an toàn khi châm hóa chất

Việc châm hóa chất trực tiếp vào đường ống có thể gây rò rỉ hóa chất và nguy hiểm cho kỹ thuật viên. Dosing Pot giúp cô lập hóa chất trong môi trường kín, đảm bảo an toàn tuyệt đối khi vận hành.

2.2. Hoá chất phân tán đều, tăng hiệu quả xử lý

Nhờ cơ chế dòng chảy bypass hóa chất được hòa tan từ từ và phân bố đều trong toàn hệ thống. Tăng hiệu quả chống cáu cặn, ăn mòn và vi sinh.

2.3. Tối ưu hóa quá trình bảo trì – vận hành

Không cần dừng hệ thống khi châm hóa chất và giảm tần suất vệ sinh, bảo trì. Tiết kiệm chi phí vận hành dài hạn

qua trinh cham hoa chat dosing pot

3. Cấu tạo của hệ châm hóa chất (Dosing Pot)

Một hệ bình châm hóa chất tiêu chuẩn bao gồm:

  • Thân bình chịu áp lực (inox/thép)
  • Van đầu vào (inlet)
  • Van đầu ra (outlet)
  • Van xả đáy
  • Van xả khí
  • Phễu nạp hóa chất (tundish)

Thiết kế này giúp thao tác dễ dàng, an toàn và tối ưu hiệu suất hòa tan.

4. Nguyên lý hoạt động của Dosing Pot hay hệ châm hóa chất

Khi cần thêm hóa chất ức chế ăn mòn/cáu cặn, kỹ thuật viên sẽ thực hiện quy trình:

  1. Cô lập: Đóng van ngắt tại cả hai đầu dosing pot để tách nó khỏi hệ thống.
  2. Xả nước: Mở van xả để xả hết nước và hơi ra ngoài, đảm bảo không còn áp suất bên trong pot. Đồng thời mở van xả khí để thông hơi và tạo chân không bên trong.
  3. Đổ hóa chất: Đổ hóa chất qua phễu (tundish) lớn vào bình đựng. Phễu rộng giúp thao tác an toàn, tránh tràn ra ngoài. Trong khi đổ có thể mở nhẹ van xả khí để thoát khí ra.
  4. Bơm hóa chất vào hệ thống: Sau khi đầy, đóng van xả/phễu và van xả khí. Từ từ mở van hồi rồi van cấp (flow) để nước hệ thống chảy qua dosing pot, cuốn hóa chất vào hệ thống. Sau cùng, mở cả hai van flow/return để hệ thống quay trở lại bình thường và lưu lượng mang hóa chất đi khắp mạch nước.

An toàn và xử lý: Dosing pot có van xả/phễu riêng biệt để tránh tràn hóa chất ra môi trường. Van xả khí (air vent) giúp thông hơi hoàn toàn trước khi mở van nạp hoặc sau khi xả nước. Nhiều model tích hợp van giảm áp hoặc rơ-le an toàn để ngăn áp suất trong bình vượt mức. Thiết bị cần được lắp ở vị trí thuận tiện, có khay/đường dẫn nước thải để hứng hóa chất tràn trong quá trình thao tác. Quy trình này giúp việc bổ sung hóa chất được thực hiện nhanh chóng, chính xác mà không làm gián đoạn hoạt động của tháp giải nhiệt.

nguyen ly dosing pot

 

5. Những hóa chất thường được châm vào hệ nước lạnh thông qua Dosing Pot

5.1. Hoá chất chống cáu cặn đường nước lạnh

Ngăn ngừa đóng cặn CaCO₃

Giữ bề mặt trao đổi nhiệt sạch

5.2. Hoá chất chống ăn mòn kim loại

Bảo vệ đường ống thép, đồng

Tạo lớp màng chống oxy hóa

5.3. Hoá chất chống vi sinh diệt khuẩn (đối với hệ kín)

Ngăn rong rêu, vi khuẩn

Giữ hệ thống sạch và ổn định

5.4. Hoá chất tẩy rửa đường ống vệ sinh hệ thống

Dùng khi bảo trì định kỳ

Loại bỏ cặn bẩn tích tụ lâu ngày

dosing pot hoa chat

6. Ứng dụng của Dosing Pot trong các công trình sử dụng Chiller

Dosing Pot được sử dụng rộng rãi trong:

  • Tòa nhà văn phòng, trung tâm thương mại
  • Nhà máy sản xuất công nghiệp
  • Bệnh viện, trường học
  • Khách sạn, resort
  • Trung tâm dữ liệu (Data Center)

Bất kỳ hệ thống nước tuần hoàn nào cần kiểm soát chất lượng nước đều nên sử dụng.

ung dung dosing pot

7. TAMA đơn vị cung cấp Dosing Pot & xử lý nước công nghiệp trọn gói

  • Thiết bị chất lượng độ bền cao: Dosing Pot inox chịu áp lực cao thiết kế tối ưu cho hệ Chiller kéo dài tuổi thọ, ít bảo trì
  • Hoá chất đồng bộ  tối ưu cho từng hệ thống. Công thức riêng cho từng loại hệ thống đảm bảo hiệu quả cao tiết kiệm chi phí
  • Hỗ trợ kỹ thuật  vận hành tận nơi: Khảo sát hệ thống cũng như hướng dẫn vận hành và xử lý sự cố nhanh chóng
  • Dịch vụ chuyên nghiệp giá thành cạnh tranh: Báo giá minh bạch có chính sách bảo hành rõ ràng luôn đồng hành lâu dài cùng khách hàng

Việc sử dụng Dosing Pot (bình châm hóa chất) trong hệ thống nước lạnh Chiller không chỉ giúp tăng hiệu quả xử lý nước mà còn giảm chi phí vận hành và kéo dài tuổi thọ thiết bị. Đây là giải pháp không thể thiếu đối với các hệ thống HVAC hiện đại.

Liên hệ ngay với TAMA để nhận được tư vấn tốt nhất tối ưu nhất cho doanh nghiệp của bạn